Inny błąd się zgłasza. W tym przypadku byłoby info, że dysk nie jest sformatowany.staszeks pisze: czw, 17 listopada 2022, 14:34 A może masz tam stację 720 KB a każesz jej czytać dyskietkę 1,44 MB?
(były takie)
Komputer 8-bitowy
Moderatorzy: gsmok, tszczesn, Romekd, Einherjer, OTLamp
-
disaster
- 1250...1874 posty

- Posty: 1466
- Rejestracja: wt, 5 października 2010, 21:13
- Lokalizacja: Brzeziny k.Łodzi
Re: Komputer 8-bitowy
Z przyczyn technicznych koniec świata odwołany.
Poszukuję viewtopic.php?p=304055#p304055
Poszukuję viewtopic.php?p=304055#p304055
-
jethrotull
- 3125...6249 postów

- Posty: 4031
- Rejestracja: sob, 3 czerwca 2006, 21:51
- Lokalizacja: Poznań
Re: Komputer 8-bitowy
Przepraszam za długą ciszę. Ukończyłem jeden z egzemplarzy komputera. Niestety, popełniłem mały błąd i nakleiłem naklejkę na płytę czołową pulpitu przed założeniem słupków dystansujących płytki klawiatury, i dzięki temu mam w nalepce dziury na łby śrub
Także ten element do poprawki, poza tym jednak komputer jest kompletny, nic tylko pisać software.
Nie masz wymaganych uprawnień, aby zobaczyć pliki załączone do tego posta.
-
jethrotull
- 3125...6249 postów

- Posty: 4031
- Rejestracja: sob, 3 czerwca 2006, 21:51
- Lokalizacja: Poznań
Re: Komputer 8-bitowy
Wykonałem też płytkę kolejnego egzemplarza. Jest ona zasadniczo identyczna pod względem logicznym z poprzednią wersją, z wyjątkiem faktu że wspiera jedynie klawiaturę PS2. Opróćz procedur obsługi klawiatury nie ma też różnic programowych. Pod względem fizycznym ten egzemplarz ma jednak pewną zasadniczą zaletę, a mianowicie kość ROM znajduje się w gnieździe ZIF (poprzenia wersja miała też mieć takie gniazdo, ale przez moje roztargnienie go nie otrzymała). Gniazdo to jest znakomite dla osób którym nie chce się robić programatora do zapisywania ROMu w układzie a którym znudziło się urywanie nóżek ROMów przez ciągłe wkładanie i wyjmowanie kości z gniazda.
Nie masz wymaganych uprawnień, aby zobaczyć pliki załączone do tego posta.
-
jethrotull
- 3125...6249 postów

- Posty: 4031
- Rejestracja: sob, 3 czerwca 2006, 21:51
- Lokalizacja: Poznań
Re: Komputer 8-bitowy
Następny ukończony podprojekt to karta dźwiękowa (mniej więcej) na podstawie tego schematu:
download/file.php?id=98489&mode=view
Przypomnę, że zawiera dwa programowalne generatory fali prostokątnej oraz jeden generator szumu. Każdy kanał ma cztery możliwe poziomy tłumienia, ustawiane widocznymi na zdjęciu potencjometrami. Ten projekt poszedł bez żadnych większych problemów. Jako ciekawostkę podam, że ta karta dźwiękowa jest extra-retro, jako że jej obudowa to plastikowe pudełko po taśmie cyfrowej służącej jako nośnik danych do komputerów (późne lata 90-te).
download/file.php?id=98489&mode=view
Przypomnę, że zawiera dwa programowalne generatory fali prostokątnej oraz jeden generator szumu. Każdy kanał ma cztery możliwe poziomy tłumienia, ustawiane widocznymi na zdjęciu potencjometrami. Ten projekt poszedł bez żadnych większych problemów. Jako ciekawostkę podam, że ta karta dźwiękowa jest extra-retro, jako że jej obudowa to plastikowe pudełko po taśmie cyfrowej służącej jako nośnik danych do komputerów (późne lata 90-te).
Nie masz wymaganych uprawnień, aby zobaczyć pliki załączone do tego posta.
-
jethrotull
- 3125...6249 postów

- Posty: 4031
- Rejestracja: sob, 3 czerwca 2006, 21:51
- Lokalizacja: Poznań
Re: Komputer 8-bitowy
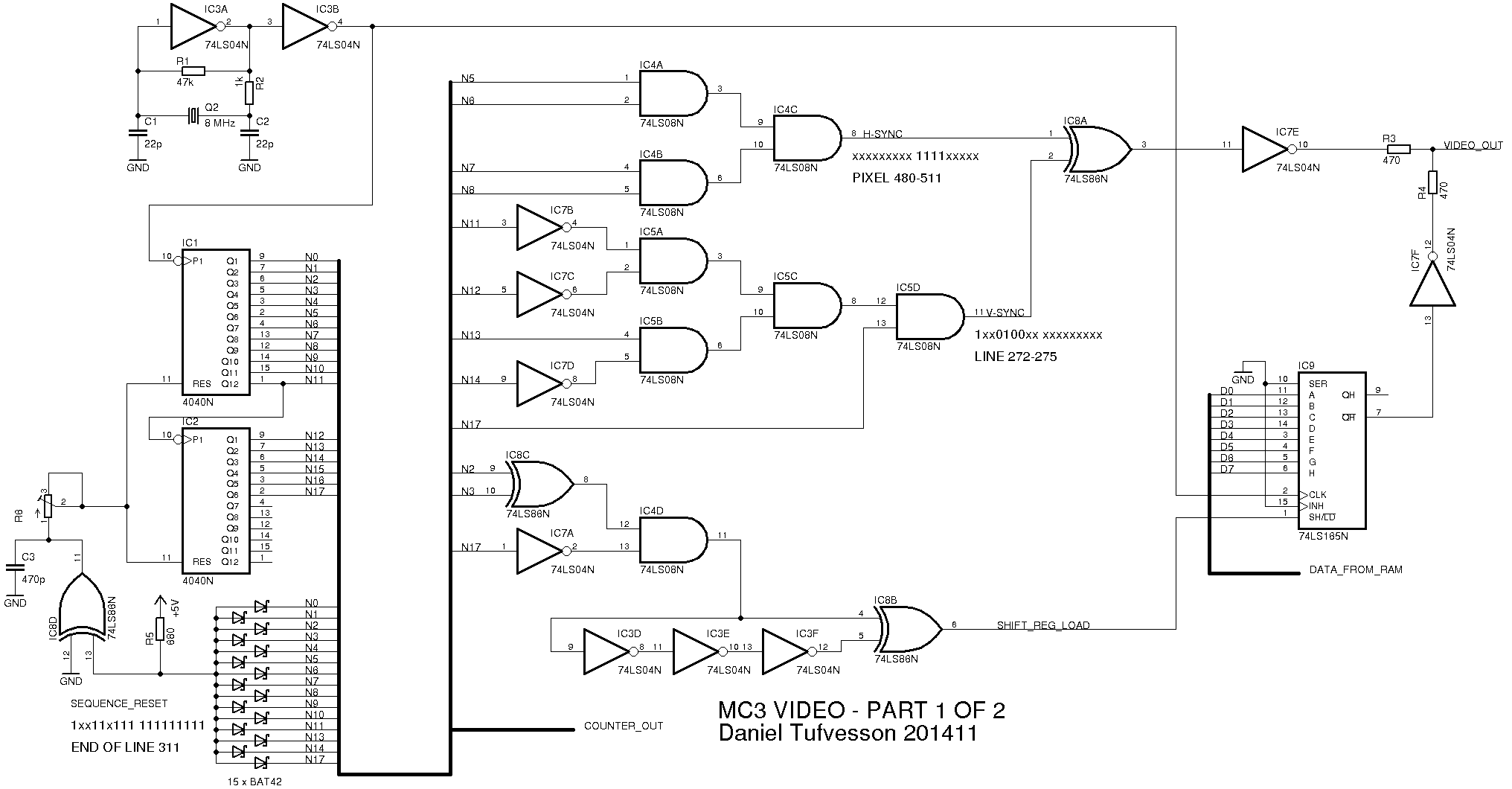
Próbuję obecnie zrobić kartę graficzną podobną do tej:
http://www.waveguide.se/?article=35&fil ... -part1.png
Zacząłem od próby skopiowania generatora sygnału zegarowego (lewy górny róg schematu) i poległem. Układ ma różne tryby oscylacji, w które wchodzi mniej więcej losowo, np. oscyluje poprawnie z częstotliwością 8MHz, po czym oscylacje stopniowo słabną aż do całkowitego zaniku, po czym układ sam startuje ponownie i tak w kółko:
Inne tryby polegają np. na oscylowaniu w sposób ciągły, ale z bardzo niską częstotliwością (np. rzędu pojedynczych kiloherców), lub kompletnie nieregularnie (każdy impuls innej długości).
Czego próbowałem:
kondensatory 18, 22 i 27p
obecność i brak rezystora 1k
zwiększenie rezystora 47k do 1M
montaż na płytce stykowej lub drukowanej
różne egzemplarze kwarców 8 i 5MHz
różne egzemplarze układów 74HCT04 i 74HCT14
Dodam, że montaż na płytce jest bardzo skondensowany, więc nie sądzę żeby występowały tam przesadne pojemności pasożytnicze: Czy ten układ jest jakiś przeklęty lub znany ze swojej badziewności?
http://www.waveguide.se/?article=35&fil ... -part1.png
Zacząłem od próby skopiowania generatora sygnału zegarowego (lewy górny róg schematu) i poległem. Układ ma różne tryby oscylacji, w które wchodzi mniej więcej losowo, np. oscyluje poprawnie z częstotliwością 8MHz, po czym oscylacje stopniowo słabną aż do całkowitego zaniku, po czym układ sam startuje ponownie i tak w kółko:
Inne tryby polegają np. na oscylowaniu w sposób ciągły, ale z bardzo niską częstotliwością (np. rzędu pojedynczych kiloherców), lub kompletnie nieregularnie (każdy impuls innej długości).
Czego próbowałem:
Dodam, że montaż na płytce jest bardzo skondensowany, więc nie sądzę żeby występowały tam przesadne pojemności pasożytnicze: Czy ten układ jest jakiś przeklęty lub znany ze swojej badziewności?
Nie masz wymaganych uprawnień, aby zobaczyć pliki załączone do tego posta.
-
Tomasz Gumny
- 1875...2499 postów

- Posty: 2335
- Rejestracja: pn, 1 stycznia 2007, 23:18
- Lokalizacja: Trzcianka/Poznań
Re: Komputer 8-bitowy
Układy oscylatorów które bazują na zlinearyzowanej bramce lepiej pracują ze zwykłymi bramkami 04 niż Schmitta 14 i seriami HC lub niebuforowanymi HCU. Dla HCT04 stabilniejszy będzie układ z 2 zlinearyzowanymi bramkami, ale wtedy przyda się trzecia jako bufor wyjsciowy.
Tomek
-
jethrotull
- 3125...6249 postów

- Posty: 4031
- Rejestracja: sob, 3 czerwca 2006, 21:51
- Lokalizacja: Poznań
-
jethrotull
- 3125...6249 postów

- Posty: 4031
- Rejestracja: sob, 3 czerwca 2006, 21:51
- Lokalizacja: Poznań
Re: Komputer 8-bitowy
Poradziłem sobie instalując scalony generator 16MHz (8MHz nie były dostępny) i dzielnik częstotliwości na układzie '74. Analizator logiczny pokazuje przy częstotliwości próbkowania 16MHz ten sam problem - oscylacje przez jakiś czas, potem cisza i od nowa. Tym niemniej liczniki taktowane takiem sygnałem liczą poprawnie. Na częstotliwości próbkowania 24MHz wszystko OK. Czyli po prostu zegar kwarcowy od początku działał OK tylko z sondą coś nie tak.
Teraz kolejne wyzwanie to znalezienie większej liczby dzielników 74HCT4040. Mam tylko jeden, a drugi jest zastępowany przez CD4040, który jest tu znacznie za wolny.
Teraz kolejne wyzwanie to znalezienie większej liczby dzielników 74HCT4040. Mam tylko jeden, a drugi jest zastępowany przez CD4040, który jest tu znacznie za wolny.
-
jethrotull
- 3125...6249 postów

- Posty: 4031
- Rejestracja: sob, 3 czerwca 2006, 21:51
- Lokalizacja: Poznań
Re: Komputer 8-bitowy
Postanowiłem przystosować komputer do systemu operacyjnego CP/M. Problemem jest mapa pamięci komputera - CP/M wymaga aby od adresu 0000h był RAM, natomiast procesor Z80 wymaga aby tam był ROM, ponieważ od tego adresu zaczyna się wykonywanie programu po resecie procesora. Zwykle rozwiązanie polega na umieszczeniu i ROMu i RAMu w tym samym obszarze przestrzeni adresowej. Po resecie zawartość ROMu jest kopiowana do RAMu i RAM jest wyłączany a na jego miejsce "wskakuje" RAM.
W moim komputerze jedynym złączem, do którego można podłączyć dodatkowy RAM jest złącze karty graficznej. Złacze rozszerzeń oraz twardego dysku mają tylko po cztery linie adresowe (zresztą CP/M potrzebuje dysku). Dodatkowo, złącze karty graficznej już zawiera linię dezaktywacji ROMu, bo RAM obrazu "przysłania" część przestrzeni ROMu na płycie głównej. Więc to złącze jest idealne aby podłączyć kartę CP/M.
Oczywiście brak możliwości podłączenia karty graficznej (bo jej złącze jest zajęte przez kartę CP/M) powoduje konieczność znalezienia nowego rozwiązania dla wyświetlania. Można by po prostu użyć portu szeregowego i zewnętrznego terminala, który już zresztą mam. Jest to podejście, które było często używane na początku ery ośmiobotowej. Ja jednak zdecydowałem się na wykorzystanie kilku wolnych pinów w złaczu karty graficznej na połączenie linii Tx i Rx i wyświetlanie za pomocą układu TellyMate, czyli ATmega8 z wsadem generującym sygnał PAL. Sygnał ten wędruje następnie do czteroipółcalowego monitora kamery cofania. Obraz ma tylko tryb znakowy, rozdzielczość 38x25 i wspiera podwójną wysokość i szereokość znaków.
W moim komputerze jedynym złączem, do którego można podłączyć dodatkowy RAM jest złącze karty graficznej. Złacze rozszerzeń oraz twardego dysku mają tylko po cztery linie adresowe (zresztą CP/M potrzebuje dysku). Dodatkowo, złącze karty graficznej już zawiera linię dezaktywacji ROMu, bo RAM obrazu "przysłania" część przestrzeni ROMu na płycie głównej. Więc to złącze jest idealne aby podłączyć kartę CP/M.
Oczywiście brak możliwości podłączenia karty graficznej (bo jej złącze jest zajęte przez kartę CP/M) powoduje konieczność znalezienia nowego rozwiązania dla wyświetlania. Można by po prostu użyć portu szeregowego i zewnętrznego terminala, który już zresztą mam. Jest to podejście, które było często używane na początku ery ośmiobotowej. Ja jednak zdecydowałem się na wykorzystanie kilku wolnych pinów w złaczu karty graficznej na połączenie linii Tx i Rx i wyświetlanie za pomocą układu TellyMate, czyli ATmega8 z wsadem generującym sygnał PAL. Sygnał ten wędruje następnie do czteroipółcalowego monitora kamery cofania. Obraz ma tylko tryb znakowy, rozdzielczość 38x25 i wspiera podwójną wysokość i szereokość znaków.
Nie masz wymaganych uprawnień, aby zobaczyć pliki załączone do tego posta.
-
jethrotull
- 3125...6249 postów

- Posty: 4031
- Rejestracja: sob, 3 czerwca 2006, 21:51
- Lokalizacja: Poznań
Re: Komputer 8-bitowy
Dodam tylko, że CP/M nie został jeszcze sportowany, ale teraz będzie to możliwe.
-
jethrotull
- 3125...6249 postów

- Posty: 4031
- Rejestracja: sob, 3 czerwca 2006, 21:51
- Lokalizacja: Poznań
Re: Komputer 8-bitowy
Zamknąłem drugi egzemplarz komputera w obudowie. Można go zasilać z zasilacza +5V, lub +5V, +12V. W tym drugim przypadku +12V jest używane do zasilania monitora, przy czym sygnał i zasilanie są przesyłane jednym przewodem (trójżyłowym - sygnał, zasilanie, masa). Takie rozwiązanie zmniejsza plątaninę kabli.
Nie masz wymaganych uprawnień, aby zobaczyć pliki załączone do tego posta.
-
Olkus
- 2500...3124 posty

- Posty: 2958
- Rejestracja: śr, 12 maja 2021, 10:57
- Lokalizacja: Kraków/Węglówka
Re: Komputer 8-bitowy
Gratuluję Koledze. Fajny komputer, czytam temat od dość dawna i śledziłem jak pracę idą.
Ostatnio trochę TTL i innych układów nadających się do budowy komputera wraz z słynnym Z80 wpadło mi w ręce, kiedyś coś się zrobi

Pozdrawiam,
A.
Ostatnio trochę TTL i innych układów nadających się do budowy komputera wraz z słynnym Z80 wpadło mi w ręce, kiedyś coś się zrobi
Pozdrawiam,
A.
Kupię lampy: 35Z4GT, 12K8GT,
-
jethrotull
- 3125...6249 postów

- Posty: 4031
- Rejestracja: sob, 3 czerwca 2006, 21:51
- Lokalizacja: Poznań
-
ballasttube
- 3125...6249 postów

- Posty: 3546
- Rejestracja: czw, 25 marca 2010, 00:12
Re: Komputer 8-bitowy
Kolega Jethrotull: czy można by poprosić o schemat tego "komputerka"?
Kolega Jado: czy można by poprosić o link do wspomnianego tu w poście układu?
"Z góry" bardzo Kolegom dziękuję i pozdrawiam.
Jacek"b/t"
Kolega Jado: czy można by poprosić o link do wspomnianego tu w poście układu?
"Z góry" bardzo Kolegom dziękuję i pozdrawiam.
Jacek"b/t"
-
jethrotull
- 3125...6249 postów

- Posty: 4031
- Rejestracja: sob, 3 czerwca 2006, 21:51
- Lokalizacja: Poznań
Re: Komputer 8-bitowy
Schematy w kiCadzie można pobrać z GitHuba:
Komputer, klawiatura, UART, wyświetlacz LCD:
https://github.com/vampirehunt2/aniol64 ... iol64kiCad
Karta graficzna:
https://github.com/vampirehunt2/aniol64 ... GenGen/vga
Karta dźwiękowa:
https://github.com/vampirehunt2/aniol64 ... /soundcard
Jeśli nie masz kiCada albo nie lubisz Gita to mogę ci też to wyeksportować do PNG i załączyć tutaj, ale na repozytorium zawsze masz najnowszą wersję.
Komputer, klawiatura, UART, wyświetlacz LCD:
https://github.com/vampirehunt2/aniol64 ... iol64kiCad
Karta graficzna:
https://github.com/vampirehunt2/aniol64 ... GenGen/vga
Karta dźwiękowa:
https://github.com/vampirehunt2/aniol64 ... /soundcard
Jeśli nie masz kiCada albo nie lubisz Gita to mogę ci też to wyeksportować do PNG i załączyć tutaj, ale na repozytorium zawsze masz najnowszą wersję.